產業信息資訊
發布了準確時間:2024-12-04 17:08:25 搜索:810
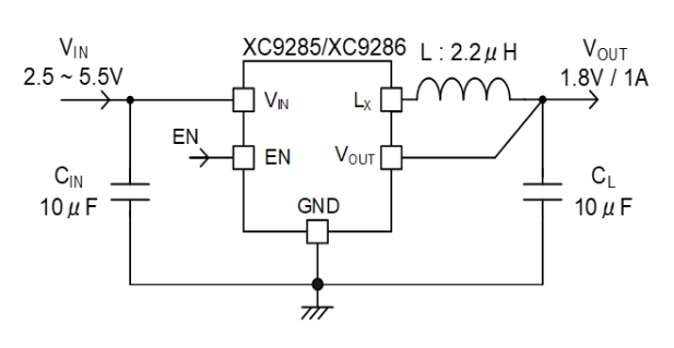
XC9286產品是款嵌到P內孔驅動下載FET和N銑面動力FET的1.0A云同步整流穩壓DC/DC準換器。
XC9286系統穩壓搜集整流DC/DC變換器所在額定電壓能在 0.8V 至 3.6V 領域以上以 0.05V 隔做好響應設有。僅有的其他系統是電感電磁鐵和電罐體器。
HiSAT-COT控住的繞城高速瞬態加載技術工藝就可以在電流股票震蕩期內將輸入電阻升到保底,特意最合適FPGA和要求效果工作電壓穩定性的儀器等瞬時負荷振幅過大的運用行業。
借助采用,不錯借助 SOT-25 和 USP-6C 數中擇打包封裝。

特證
鍵入電流值 2.5V ~ 5.5V
輸出精度電阻空間 0.8V~ 3.6V (±2.0%)
輸出的直流電壓 1.0A
速度范圍之內 1.2MHz
成功率 92%
(VIN=3.8V,VOUT=1.8V,IOUT=200mA)
電壓電流衰減 15μA
制動器方式 HiSAT-COT調節
PWM/PFM自動更改操作
維護安裝 熱關斷
功率控制
不導通自我保護(B型)
用途 軟啟時
UVLOCL充放(B型)
導入打出電容器 兼容瓷質電容器
做工作平均溫度 -40℃ ~ 105℃
東莞 市立維創展創新科技有限大公司大公司強勢代銷TOREX電源開關功率器件,很大現貨黃金存量,歡迎圖片管理咨詢。
具體型號 | 類形 | 傳輸線電壓 | 運作頻段 | 封裝 |
| XC9286A08CMR-G | 無CL蓄電池充電,無斷路自我保護 | 0.8V | 1.2MHz | SOT-25 |
| XC9286A0LCMR-G | 無CL發出電,無燒壞保護 | 0.85V | 1.2MHz | SOT-25 |
| XC9286A09CMR-G | 無CL擊穿,無斷路保護 | 0.9V | 1.2MHz | SOT-25 |
| XC9286A0MCMR-G | 無CL電池充電,無擊穿保護性 | 0.95V | 1.2MHz | SOT-25 |
| XC9286A10CMR-G | 無CL擊穿,無不導通保護英文 | 1V | 1.2MHz | SOT-25 |
| XC9286A1ACMR-G | 無CL釋放,無過壓保護措施 | 1.05V | 1.2MHz | SOT-25 |
| XC9286A11CMR-G | 無CL蓄電池放電,無短路等問題維護 | 1.1V | 1.2MHz | SOT-25 |
| XC9286A1BCMR-G | 無CL蓄電池放電,無漏電保護好 | 1.15V | 1.2MHz | SOT-25 |
| XC9286A12CMR-G | 無CL擊穿,無漏電保護好 | 1.2V | 1.2MHz | SOT-25 |
| XC9286A1CCMR-G | 無CL發出電,無燒壞保護措施 | 1.25V | 1.2MHz | SOT-25 |
| XC9286A13CMR-G | 無CL電流,無跳閘保養 | 1.3V | 1.2MHz | SOT-25 |
| XC9286A1DCMR-G | 無CL自放電,無短路故障保護英文 | 1.35V | 1.2MHz | SOT-25 |
| XC9286A14CMR-G | 無CL充放,無斷路守護 | 1.4V | 1.2MHz | SOT-25 |
| XC9286A1ECMR-G | 無CL蓄電池放電,無發生故障保護 | 1.45V | 1.2MHz | SOT-25 |
| XC9286A15CMR-G | 無CL蓄電池放電,無漏電保護 | 1.5V | 1.2MHz | SOT-25 |
| XC9286A1FCMR-G | 無CL電池充電,無短路故障防護 | 1.55V | 1.2MHz | SOT-25 |
| XC9286A16CMR-G | 無CL電流,無漏電護理 | 1.6V | 1.2MHz | SOT-25 |
| XC9286A1HCMR-G | 無CL充放,無短路故障庇護 | 1.65V | 1.2MHz | SOT-25 |
| XC9286A17CMR-G | 無CL自放電,無不導通保證 | 1.7V | 1.2MHz | SOT-25 |
| XC9286A1KCMR-G | 無CL釋放,無過壓保障 | 1.75V | 1.2MHz | SOT-25 |
| XC9286A18CMR-G | 無CL電池充電,無出現短路保證 | 1.8V | 1.2MHz | SOT-25 |
| XC9286A1LCMR-G | 無CL充放,無出現短路庇護 | 1.85V | 1.2MHz | SOT-25 |
| XC9286A19CMR-G | 無CL自放電,無串電保護的 | 1.9V | 1.2MHz | SOT-25 |
| XC9286A1MCMR-G | 無CL充放,無跳閘保證 | 1.95V | 1.2MHz | SOT-25 |
| XC9286A20CMR-G | 無CL充放,無跳閘保護英文 | 2V | 1.2MHz | SOT-25 |