領域資訊新聞
發布了時:2024-12-10 17:10:14 訪問 :628
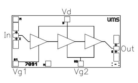
CHA2193-99F是款三級職業資格證書低背景噪聲放小器。處理器的后邊是頻射和直流電源等電位連接。優勢于提升裝的過程 。
CHA2193-99F努力于從民防軍事化到商業性服務管理通訊網模式的絕大多數使用的實際需求定制。
CHA2193-99F所用pHEMT加工技術,柵極長度為0.25μm,會根據的基板上的通孔、新鮮空氣橋和電商束柵神行者刻技術工藝。
CHA2193-99F以集成ic方式展示。
常見特點
2.0 dB躁聲比率
18 dB±1dB增加收益
8 dBm內容輸出輸出(-1dB收獲補償費)
挺不錯的帶寬發送適應
整流電耗電量,60mA@3.5V
IC芯片長度:2.07 x 1.03 x 0.10mm
佛山市立維創展科技產業較少集團公司權限經售UMS徽波,對方面型號的UMS車輛具備優秀的期貨車輛庫存盤點,迎接質詢。

| Reference | RF Bandwidth (GHz) | Gain | Gain Flatness | Noise Figure | P-1dB OUT | Bias | Bias | Case | |
| min | max | ||||||||
| CHA2193-99F | 20 | 30 | 18 | 0.5 | 2 | 8 | 60 | 3.5 | Die |