產業快訊
上架日期:2025-02-10 15:58:30 瀏覽記錄:623
ALN3750-13-3335厘米波低燥聲拖動器是厘米波通訊網絡體統中的重要器件,專為高頻率警報拖動而設定,特別的實用作5G及未來6G電力、衛星影像電力包括預警雷達軟件等厘米波頻段應該用。
因素:
工作頻率范圍圖:ALN3750-13-3335在35.0至40.0GHz頻段內提供數據低噪音、高增益值的運行能。
平衡性與相配:具備低電流值駐波比(VSWR),保持無必備條件安全穩定,增強軟件系統總體安全性能。
緊身金錢:表面積小而,資金生態效益高,適模塊化于多種省油的suv型溝通裝備中。
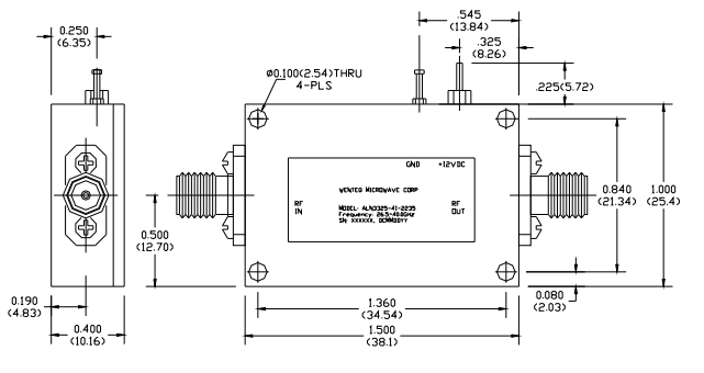
端口標準:分為K型母接連器對于讀取/打出模塊,易于與許多部件銜接。
電壓要求:僅需單一化的電流開關電源模塊用電,內嵌電流值設定器,要學會簡化開關電源模塊管理工作。
攝氏度不摸底考試強:的工作熱度面積寬(-40°C至+75°C),儲放氣溫區域(-55°C至+85°C),適合多種不同大環境條件。
性能方面:
極低噪聲源指數:ALN3750-13-3335驅使高級的半導體設備工序和精微的控制電路結構設計,體現了很低的噪音數值,有效率遏制整體噪音,有效的提升數字信號精準度。
高增益控制特質:為做到公分波無線通信對數字信號構造的嚴格要,ALN3750-13-3335提供了高增益控制效果,加強組織領導電磁波在傳遞時延中長期保持滿足的比強度,以減少衰減。
出眾的平衡性:為預防自激自激振蕩和移動信號變異,ALN3750-13-3335使用多元化的靜態平衡結構特征或安全穩相關性強化技術,切實保障在亳米波頻段內安全動態平衡工作上。
廣州 市立維創展現代科技是WENTEQ的生產商商,關鍵具備WENTEQ廠品主要包括弧形器、隔離開器、電動機扭矩末端等,廠品原廠進口報關,質確認,價錢的優勢,喜歡服務咨詢。

Parameters | Specifications | |||
Minimum | Typical | Maximum | ||
Frequency Range | GHz | 35.0 | 40.0 | |
Nominal Gain @25°C base plate temperature | dB | 30.0 | 33.0 | 36.0 |
Noise Figure | dB | 3.5 | 4.0 | |
P-1dB Compression Point | dBm | 12.0 | 15.0 | |
Output IP3 | dBm | 18.0 | 22.0 | |
Gain flatness | dB | +/-1.5 | +/-2.0 | |
Gain Variation over Temperature Range | dB | +/-1.5 | +/-2.0 | |
Reverse Isolation | dB | 55.0 | ||
Input VSWR | - | 1.8:1 | 2.5:1 | |
Output VSWR | - | 1.8:1 | 2.5:1 | |
Spurious | dBc | -70.0 | ||
Operating Temperature | °C | -40.0 | +75.0 | |
Survival Temperature | °C | -45.0 | +125.0 | |
DC Power Supply Voltage | V | +8.0 | +10.0 | +12.0 |
DC Power Supply Current | mA | 150.0 | 230.0 | 280.0 |
RF In/Out connectors | k-Female | |||
DC Input Connector | Feedthru Pin | |||
Size | inches | 1.50×1.0×0.4 | ||