的行業內容
發布公告時光:2025-04-21 16:58:16 閱讀:374
ALN4250-12-3535厘米波低背景噪聲增加器(LNA)是WENTEQ公司的在亳米波無線通信層面的關鍵類產品,大范圍應該用于5G/6G無線電力、電力衛星無線電力、聲納系統的等中頻環境。ALN4250-12-3535所采用優秀的半導體設備生產技術(如GaAs、GaN)和協調電路系統方案,背景噪聲指數公式低至0.5dB,有效果克制軟件系統的噪音,上升訊號清晰明了度。WENTEQ Microwave的毫米左右波低環境噪聲縮放器靠著其技能優缺點、制作化作用和費用效果,在世界股票市場占去必要影響力。
特點:
從40.0到45.0GHz的低背景噪聲、高增加收益操作的
低VSWR,無前提穩定性
重量小,價格低
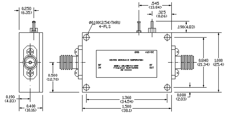
2.4mm女生連接方式器導入/輸入
是需要單直流變壓器交流電源,內裝置交流電壓調控器
上班溫差-40~+75°C,放置熱度-55~+85°C
東莞 市立維創展社會是WENTEQ的生產商商,主要的供給WENTEQ品牌包擴環行器、底部隔離器、電機負載最終等,品牌原裝機進口商,重量做到,價格多少優質,誠邀咨訊。

Parameters | Specifications | |||
Minimum | Typical | Maximum | ||
Frequency Range | GHz | 40.0 | 45.0 | |
Nominal Gain @25°C base plate temperature | dB | 31.0 | 35.0 | 38.0 |
Noise Figure | dB | 3.5 | 4.5 | |
P-1dB Compression Point | dBm | 15.0 | 16.0 | |
Output IP3 | dBm | 23.0 | 25.0 | |
Gain flatness | dB | +/-1.0 | +/-1.5 | |
Gain Variation over Temperature Range | dB | +/-1.5 | ||
Reverse Isolation | dB | 45.0 | ||
Input VSWR | - | 2.0:1 | 3.0:1 | |
Output VSWR | - | 2.0:1 | 3.0:1 | |
Spurious | dBc | 60.0 | ||
Operating Temperature | °C | -40.0 | +75.0 | |
Survival Temperature | °C | -45.0 | +85.0 | |
DC Power Supply Voltage | V | +12.0 | ||
DC Power Supply Current | mA | 250.0 | 300.0 | |
RF In/Out connectors | 2.4mm-Female | |||
DC Input Connector | Feedthru Pin | |||
Size | inches | |||