業資迅
上線精力:2025-04-28 16:35:21 瀏覽訪問:437
CGH09120F就是一款由 Wolfspeed(原CREE科銳)企業生產的的高網上轉遷率晶狀體管(HEMT),采用了氮化鎵(GaN)技術應用,享有有速度、高收獲和聯通寬帶技能,的支持寬帶網數據信號治理 ,尤其是符合應該各式各樣頻點校準的系統軟件。

注意基本特征
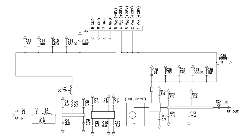
的頻率條件:UHF 至 2.5 GHz。
耗油率模擬輸出:120 瓦。
增加收益:21 聲音頻率。
的工作端電壓:28 V。
封裝類型類型:瓷質/合金法蘭盤裝封。
生產率:在 20 W PAVE 有效期率有 35%。
app優點:鼓勵層面字母預偏色(DPD)校核。
技巧差距與的優勢
性能參數 | CGH09120F | 硅基LDMOS | 備注名稱 |
概率限額 | 2.5 GHz | 一般說來<1 GHz | GaN在低頻下速率更快 |
功效相對密度 | 4.3 W/mm2 | 約1 W/mm2 | 比較合適緊密型裝修設計 |
的效率(PAVE) | 35% | 20%~25% | 差異性調低系統的功率 |
導熱系數 | 1.2°C/W | 2.5°C/W | 更好的水冷散熱工作能力 |
應用領域
wlan電力移動信號塔
看作 LTE、WCDMA 或 MC-GSM 移動通信信號塔輸出功率調大器的價值體系電子元件,提拱便捷率、高線形的頻射4g信號調大,變低移動通信信號塔高能耗與運營推廣成本低。
選用以多載波聚合反應(CA)景象,依據 DPD 技術水平提升自己多載波數據信號的曲線度。
統計與電子設備戰程序
在統計發送機中做到帶寬訊號的效率擴大,支技得判別率激光散斑與階段目標探測系統。
使用于于電子器材戰中的干憂機,在高輸出功率、移動寬帶寬因素建立高效的4g信號壓榨。
衛星信號通信設備與微波射頻傳送數據
在 Ka 頻段或 Ku 頻段衛星影像通訊網絡刷卡設備中,作為一個公率增加元器件,打造可靠的數據信號增加收益與所在公率。
適于于紅外光發送鏈,的支持長路程、高儲存量的數據分析傳送。
珠海市立維創展科學技術是CREE的供應商商,CREE工廠產品包擴:LED基帶芯片、照明工程LED、背光LED、供電開關按鈕部件、微波射頻設施設備用LED和移動電系統。中鐵二院憑著其優質的制造銷售渠道,擁用短期的存貨以訴求國內 貿易市場的訴求。的歡迎資詢。