業資迅
正式發布時光:2025-06-05 16:46:19 查詢:304
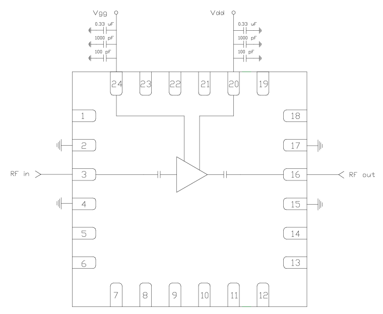
CMD229P4不是款由Custom MMIC產量的寬帶網砷化鎵(GaAs)單面微波通信集成型電源線路(MMIC)低低頻噪音變小器(LNA),專為頻射(RF)運用設計的,具備不錯的環境噪聲的性能和增加收益性能特點。CMD229P4運用無引腳 4x4 mm pp塑料面上貼裝(SMT)打包封裝。靠著其好的性和不同規格的中小巧性打包封裝,成為軍隊、航天工程及中檔無線通信采用的佳取舍。
技術水平參數表
速率范疇:5 GHz 至 11 GHz(C k線和 X 股票波段)。
收獲:26 dB。
低頻噪音常數:1.5 dB。
輸入輸出 1 dB 降低點(P1dB):+13 dBm。
三階交調截點(OIP3):24 dBm。
達到飽和狀態輸出的瓦數(Psat):約 +15 dBm。
工作的電流電壓:3 V 至 5 V。
作業交流電:45 mA。
封裝形式類別:4x4 mm 塑料制品 QFN 封裝形式。
抗阻配比:50 歐姆配備設計的,不用間接整流堵塞和頻射接口配備

應用領域場合
l 在軍事與航空工業:應用于光電子戰(EW)、C光波統計、X波長雷達探測等,具備高信得過性、低低頻噪音消費需求。
l 衛星信號安全可靠:使用于于余地通訊衛星通信模式模式,蘋果支持高頻段無線信號傳送數據。
l 測試與檢測:應用在高頻率測式系統,確認4g信號校正的合理性。
l 相控陣系統化:最為相控陣雷達探測或光纖通信模式的關鍵的應用程序,能提供高增益控制、低噪音風機源的網絡信號擴大。
Custom MMIC創立者于2006年,是家無晶圓頻射和紅外光MMIC設定總部,CUSTOM MMIC可以幫助公司企業應用之類型中盡量的MMIC推廣手機用戶的rf射頻表現鏈。CUSTOM MMIC是完善的ISO認證證書來設計人員和同一種型盡量MMICs廠家直銷商。CUSTOM MMIC展示 保持的增加的高效能rf射頻/徽波MMIC產品線。
QORVO用作澳大利亞很多聞名的微波加熱與mm毫米波頂尖打造商,為全的世界客戶作為最大標準的GaN和GaAs食品,Qorvo在2020年進行Custom MMIC收購站。
珠海市立維創展科學技術有限制的子公司受權地區代理銷售人員Custom MMIC產品的線,如無標準誠邀服務咨詢我們公司!!!