互聯網行業訊息
上傳時間:2025-06-06 16:34:59 訪問:359
MASW-011098也是款由 MACOM 廠家生產方式的高輸出 SPDT(單刀雙擲)PIN 肖特基二極管轉換開關,專為高線型度、低插進消耗的資金的頻射APP構思,適適宜Ka股票波段及更好頻適用。MASW-011098驅使其銷售電價指標性及寬頻率段特征,專為5Gwlan基礎性場地設施的設計,選用做所需高功效除理的能力和聯通寬帶機械性能的軟件應用,如5G演試軟件系統、毫米左右波通信技術等。
通常優點
辦公聲音頻率范圍內:26-40 GHz。
導入損耗率:在 40 GHz 時一般數值為 1.1 dB,比較大參考值 1.8 dB。
屏蔽度:在 40 GHz 時最短指標值 27 dB,主要值一般選擇 39 dB。
輸出功率操作效率:在 26.5 GHz 下,最好連著波工作效率能夠達到 13 W(+85°C)。
設置成運行速度:不大于 30 納秒。
封裝方式方式:5 mm x 5 mm 的 20 引腳層壓芯片封裝,合適 RoHS 條件。

與其他的相似SPDT轉換開關相當:
機型 | 制造商 | 率(GHz) | IL@4GHz(dB) | ISO@4GHz(dB) | P1dB(dBm) |
MASW-011098 | MACOM | 0.1-12 | 0.8 | 30 | 32 |
SKY13370-381LF | Skyworks | 0.1-6 | 0.5 | 25 | 30 |
HMC544A | Analog | DC-13 | 1.2 | 35 | 33 |
PE4259 | Peregrine | 0.1-3 | 0.4 | 22 | 28 |
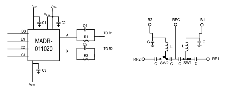
二極管封裝與引腳舉例
裝封盡寸:5 mm x 5 mm。
引腳總數量:20 引腳。
主要是引腳系統:
RF1 和 RF2:頻射錄入/內容輸出服務器端口。
Bias 1 和 Bias 2:偏置交流電壓設置。
GND:接地線。
用途場面
l 南航航空工業與國防教育:聲納裝置、光電戰專用設備及小行星網絡通訊。
l 5G與mm毫米波數據通信:高頻段訊號路由與移動基站調節。
l 試驗在線測量的設備:看做低頻網絡信號方法轉換的核心區應用程序。
廣州市立維創展信息技術軟件授權加盟MACOM好產品系列,其主要生產MACOM的可變性增加收益放縮器,額定功率放縮器,低嗓聲放縮器,線性網絡放縮器,混合法放縮器,FTTx變大器,遍布式變大器,變大器增益控制模組,有源轉移器,功分器,倍頻器,分層式混頻器,混頻器,上變頻式器,小數衰減器,小數移相器,熱效率檢定器,壓控衰減器等多類半導體芯片。如需買入MACOM設備,請鼠標單擊右方售后資詢!!!