行業領域房產資訊
正式發布周期:2025-07-11 16:36:10 預覽:134
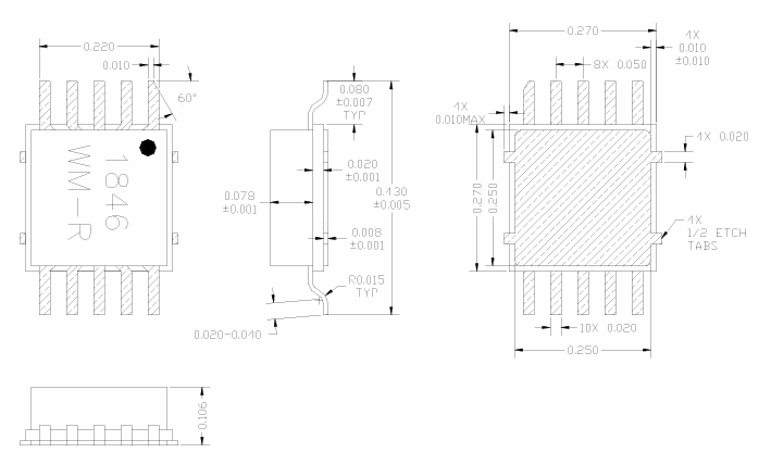
AM184635WM-BM-R是AMCOM總部傾力構造的三款GaAs MMIC(砷化鎵單支微波通信集成式電路板)工作功率縮放器,選擇單支RF和DC工業陶瓷裝封,輸電線一體化于包內(Lead-in-Package),好兼容低的成本SMT(表面層貼裝)裝置方法,時嚴謹遵守規則RoHS安全條件,保證 綠色健康合法合規。有所作為專為攜便式儀器改善設計的的提高效率工作電壓拖動器單片機芯片,AM184635WM-BM-R什么是前瞻性地進行現代化的橋式鏈接結構設計,隸算是于D類變大器概念,兼具低碳排放量、超小面積及高融合度等看不出優勢可言,是移動數據通訊、平板手機手機等電變電設施設備的滿意考慮,促動推動快又穩定的電池壽命與更寬敞的設備設汁。

穩定性叁數
頻次依據:1.8-4.6 GHz
增益值:30 dB
1dB減小點電率(P1dB):35 dBm
過飽和熱效率(Psat):37 dBm
芯片封裝性質:BM-R(衛浴陶瓷封裝類型)
的技術基本特性
的原材料與工序:
l 隨著 GaAs(砷化鎵)素材,有高電子元器件搬遷率、低噪音污染和高的溫度穩定的性競爭優勢。
l MMIC 方案將有源電子器件(如 FET)與無源pcb板(如電容(電容器)、電感)模塊化于一模一樣集成塊,變少的尺寸并提高自己一致的性。
熱管散熱設計的:
l 高直流電壓工作頻率基本特征,高最好同時施工在黑色金屬cpu散熱片上(如渡金銅法蘭部承載,帶螺釘孔有效于確定),以質量保障常期增強性。
技術應用層面:
通訊網程序:看做移動基站或通訊衛星通信網程序中的馬力變小。
機載雷達探測探測:看作雷達探測探測衛星發射器的工率拖動器。
檢驗系統:當做微波通信射頻和微波通信檢驗系統中的訊號圖像放大。
杭州市立維創展新材料技術是AMCOM集團公司總經銷,其最主要微波rf射頻網絡帶寬類產品其中包括rf射頻結晶體管、MMIC工作效率擴大器、分層擴大器包塊、寬帶網絡擴大器、高工作效率擴大器包塊、帶RF和DC對接器的高額定熱效率變成器控制模塊和低低頻噪音變成器,額定熱效率變成器,電源開關,衰減器,移相器并且上/底下變頻器的定制網站,喜歡質詢。