這個行業咨詢
頒布時間:2025-07-31 16:41:10 網頁瀏覽:81
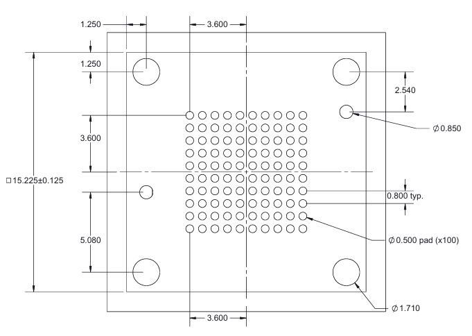
GT-BGA-2000是Ironwood Electronics進入中國的一件專注型GT Elastomer產品系列高速度BGA公測插頭,通過其非常好的的電性能方面和靠得住相連基本特性,著力推進于半導區域中嚴格要求的扮演核驗、周到效果公測各類長時期年久化實驗英文等基本點操作區域。
通常特殊性
- 裝封/寬度:直接性電焊焊接到的目標 PCB(需預開拼接孔),無鉛無焊料安裝程序用,不適用 BGA 芯片封裝。
- 中頻能力:挑選GT Elastomer活力體互連科技,下行帶寬高達mg 94 GHz,手機信號耗費低(75 GHz 時≤-1 dB)。
- 電力工程質量指標
–自感:0.04–0.06 nH
–互感:0.003–0.024 nH
–互容:0.006–0.012 pF
–觸及電容:<30 mΩ
–單針電壓電流:5 A
–單針彈性勢能:50–80g
- 機械制造使用年限:1000–2000 次插拔。
- 工作任務的溫度:-55 °C 至 +160 °C。
- 結構類型:帶可拖動易折卸頂蓋,有幫助于IC芯片迅速截取。

品牌性質
易拆御制定:GT-BGA-2000 食用的了便捷拆換的高速旋轉插座面板蓋構思方案,這構思方案使普通用戶是可以便捷的進行安裝食用的和拆除 BGA 元器件,增加了開放自測的成功率。
高可以信賴性:該物品經由要嚴格的重量把控好,保證了高可以信賴性和維持性,符合各樣高規范要求的檢測區域。
軟件應用區域
- 檢測實驗室室或研發線中對 BGA 二極管封裝IC 保證 職能檢驗、職能測試英文與受損實驗。
- 實主要用于 0.15 mm 及超過 Pitch 的 BGA、CSP 等高端大氣打包封裝。
相互配套與定制
- 需合作 Ironwood 力矩交通工具實用,以事關保持垂直縮小力并增長可塑性體實用平均壽命。
上海市立維創展科持授權證書代理權Ironwood Electronics業務在中區賣出與技術設備業務幫助。歡迎語咨訊。