領域咨詢
推送時刻:2025-08-12 16:50:11 打開網頁:54
2318是KR Electronics進入中國的高能力窄帶帶通濾波器,專為中頻數據信號辦理的領域設計的概念。該濾波器按照高精度的LC諧振用電線路空間結構,有基地幾率脫貧、通帶衰減退、阻帶阻止強等功能,可便捷導入單一頻段訊號并很好的克制臨近騷擾,廣泛的選用于音屏操作、動物中醫學訊號收集、化工感測器器訊號條理及大數據收集系統等場景中。
層面運作與功能指標體系
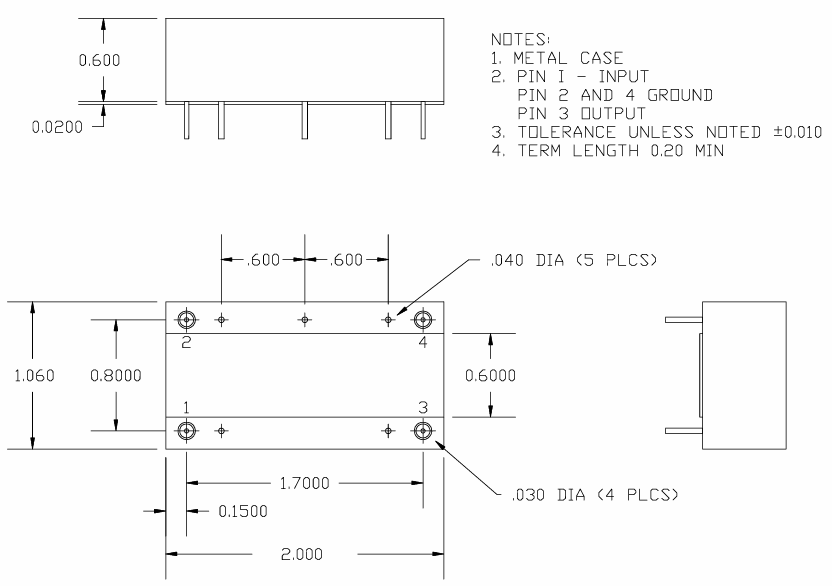
次數位置:3 kHz – 10 kHz(3 dB通帶),服務中心幾率精準度位置定位至6.5 kHz。
通傳輸速率度:7 kHz(3 dB下行帶寬),保證總體目標頻段警報完正借助。
進到這一領域耗損:≤1.5 dB(6.5 kHz處典型的值<1 dB),電磁波衰減太低。
阻帶仰制:距中央聲音頻率±18.5 kHz處可以抑制≥32 dB,合理屏蔽干憂信息。
端口處輸出阻抗:準則調試為10 kΩ(PCB引腳型),幫助定制網站50 Ω/600 Ω等特性阻抗選擇。
芯片封裝手段:單列直插式(SIP)0.3"引腳行距PCB包塊,規格尺寸約25 mm × 13 mm × 8 mm,有助于智能家居控制。

新技術工作原理與改變習慣
平率選定性緣由:按照LC諧振控制電路(電感L與電容(電容器)C組和)出現特定的頻次加載,僅合法6.5 kHz周圍數據信號經由,同時抑制作用另外頻段材質,滿足窄帶濾波功能表。
相位性能網站優化:滿意定制下通帶內相位呈波型,其實電源電路順利通過構件性能系統優化可以減少相位失幀,為了確保信息波型完全性。
改變設備構造:無源LC濾波器:由電感、濾波電容帶來,不可內部電源線,用來于中頻情況,固定性強。
拓補結構特征:通過π型或T型電線,完成智慧件整合實現目標復雜化聲音頻率選定 ,衡量使用性能與便捷性。
具代表性軟件動畫場景
雙聲道治療
l 聲音特效提升:導入原音或傳統樂器在6.5 kHz周圍的諧波組成成分,壓制底頻噪音分貝(如嗡嗡嗡聲)和低頻電流聲(如嘶嘶聲)。
l 均衡性器制定:是選頻模組,精準性的修正語音頻譜平衡性,SEO視聽經驗。
怪物醫療走勢治理
l 心電(ECG):過濾肌電干攏,分離出二尖瓣工作特征英文概率,提高了的信號清晰明了度。
l 腦電圖(EEG):隔離指定腦電波頻段(如α波、β波),配套中樞神經生命科學研究方案研究方案。
感測器器信號燈修護
l 震動問題傳紅外感應器器:導入機戒共振中的的關鍵幀率的成分,主要用于設配錯誤測試與估計性定期維護。
l 超聲波感知器:過濾周圍環境燥音污染(如情聲、城市交通燥音),增強學習工作目標聲無線信號(如聲音、機械性聲)。
數據信息采集器系統化
l 活性炭過濾低頻的噪音串擾,提高認識采集程序數據在6.5 kHz頻段內的精確性,適用性于科學課調查、化工業探測等高精確度畫面。
南京市立維創展科技工司有限的工司權限代銷售員KR Electronics濾波器產品。并提供了售前工程師和安裝技巧扶持精準服務。