職業資迅
發布公告時期:2025-08-15 16:33:38 訪問:34
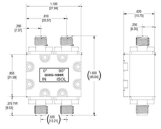
Q3XG-1088R-SMA是美Electro-Photonics發行的一類 90°、3 dB 接觸面貼裝(SMT)混和解耦器,也叫正交解耦器。Q3XG-1088R-SMA采用SMA母頭同軸接觸器封裝形式,是和用在通信設備通信信號塔音箱、全向天線波束行成網絡數據、MRI rf射頻路由協議及各種測試英文控制系統,互相提拱 RoHS/REACH 合規管理、無磁化ios版本。
大部分特殊性:
?工作頻率空間:960 – 1215 MHz,重疊L光波及地方S頻譜
?端口號形態:SMA 母頭(接器型)
?電功率存儲空間:對數正態分布 85 W(接入器型);若選擇使用面貼裝裸片版本信息更高大約 175 W
?放進去自然損耗:一般 0.28 dB(連到器型),或 0.12 dB(面上貼裝裸片)
?要進行隔離度:≥ 26 – 27 dB
?駐波比:≤ 1.2:1
?相位動平衡機:±2°
?封裝寬度:接連器型略大;界面貼裝裸片僅 0.560 × 0.350 9英寸
?使用:效率分攤/鑲嵌、定向天線波束達成、rf射頻放縮器、測試軟件與量測等
?契合 RoHS、REACH 的標準,非吸引力,可應用軟件于 MRI 周圍環境

科技特征
非磁體來設計:適用于用在 MRI(磁嗡嗡聲影像)等對磁體敏感脆弱的醫療器具機械,以免 交變電場干涉。
CTE 自適應:熱開裂彈性系數與線路板原材料自適應,降低溫暖下降致使的扯力,加強安全性。
表面層正確處理:標淮浸錫流程新技術,可會按照的需求提拱生物學鎳浸金(ENIG),加強電焊焊接不穩定義性。
卷裝選擇:兼容卷帶打包封裝,有效于智慧化產生。
評價板兼容:出示評價板(型號查詢 722-0006-03-E01),提升企業產品測試測試與一體化。
應該用方向
無限無線通信技術裝備:
?功效圖像放大器電路聚合與屏蔽:在微波移動通信基站天線、直放站等的設備中,將多路功放機傷害聚合,挺高整體線性網絡度并調控反射性。
?警報采集與管控錄像:從主警報路徑名中耦合電路地方警報可作管控錄像,確定設備效率高執行。
機載雷達探測:
?定向生無線波束達成:根據正確掌握數據信息相位與浮度,滿足定向生無線陣列的波束檢測與定向生。
衛星信號數據通訊:
?的頻率改變與衛星信號確定:在低躁音調小器(LNA)、上定頻器等模塊圖片中,體現走勢的高效率的操作。
醫療用具機械設備:
? MRI 系統化:非吸引力裝修設計符合醫療器械裝置對電磁爐性能的嚴謹處理。
Electro-Photonics收獲25年的唯一被動微波射頻組件設計方案與制做豐富經驗,的企業產品是指分層和定向培養解耦器、功分器、濾波器、測試圖片板、隔絕器、馬蹄形器等的企業產品。東莞市立維創展自動化有限責任公司代理加盟分銷系統Electro-Photonics產品。假如想要Electro-Photonics徽波,追捧顧問。