HMC7885FH18單電源芯片紅外光結合電源線路(MMIC)工率擴大器(PA)模塊電源 ADI現貨平臺代商
發布消息耗時:2018-06-19 16:42:54 瀏覽器:2501
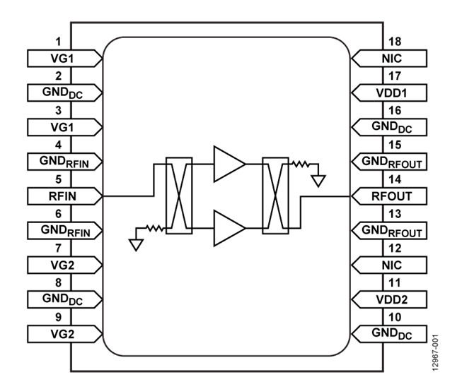
HMC7885FH18有的是款32 W氮化鎵(GaN)、單IC芯片微波通信ibms集成運放(MMIC)工率調大器(PA)接口,操作速率依據為2 GHz至6 GHz,能提供數據18引腳填料密封接口封裝。該調大器往往能提供數據21 dB小電磁波收獲和45 dBm飽和狀態頻射(RF)輸出的工率。該調大器分為28 V直流電壓電源適配器的靜態變量顯卡功耗(IDD)為2200 mA。隔直RF輸進和輸出的配備至50 ?,使用的簡單方便。
|
品牌
|
型號
|
描述
|
貨期
|
庫存
|
|
ADI
|
HMC7885FH18
|
2 GHz至6 GHz,45 dBm功率放大器
|
現貨
|
78
|
HMC7885FH18應用
-
測試與測量設備
-
通信
-
電子戰(EW)
-
軍事
-
行波管(TWT)替換產品
-
SATCOM
HMC7885FH18優勢和特點
-
2 GHz至6 GHz
-
小信號增益:21 dB(典型值)
-
飽和RF輸出功率:45 dBm(典型值,POUT)
-
18引腳、密封模塊
-
工作溫度范圍為-30°C至+60°C
HMC7885FH18結構圖
