Ka光波驅動包調小器HMC-AUH256/HMC-AUH256-SX ADI外盤微商代理
正式發布精力:2018-12-03 11:18:50 手機瀏覽:2134
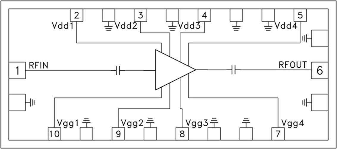
HMC-AUH256不是款Ka頻譜GaAs MMIC HEMT4個等級驅動安裝變成器,上班的頻率的范圍17.5至41 GHz。 是由于尺碼較小(1.93 mm2),該集成式塊可容易集成式到多集成式塊輸出電壓模塊(MCM)中。 HMC-AUH256在1 dB縮減點提拱21 dB的收獲和+20 dBm的輸出電壓最大功率,使用的+5V的偏置電源線(295 mA)。 HMC-AUH256還能用作倍頻器。 達到倍頻器上班的詳細的偏置生活條件。
|
品牌
|
型號
|
貨期
|
庫存
|
|
ADI
|
HMC-AUH256
HMC-AUH256-SX
|
1周
|
200
|
|
如若您需要購買HMC-AUH256/HMC-AUH256-SX,請點擊右側客服聯系我們!!!
|
應該用
優勢和特點
-
增益: 21 dB
-
P1dB輸出功率: +20 dBm
-
寬帶性能:
17.5至41 GHz
-
電源電壓:
+5V (295 mA)
-
小尺寸芯片:
2.1 x 0.92 x 0.1 mm
空間結構圖
