HMC7441/HMC7441-SX三級職業資格證書GaAs pHEMT輸出功率縮放器 ADI外盤一級銷售商
發布新聞事件:2018-06-21 15:39:47 挑選:2801
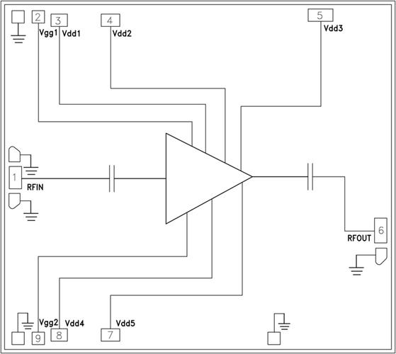
HMC7441是一個款一級GaAs pHEMT輸出馬力變成器,的工作幾率空間為27.5至31 GHz。 該變成器的增益值為23 dB,過剩輸出輸出馬力為+34 dBm,PAE為25%,工作電壓工作電壓為6V。 HMC7441可以提供+38 dBm的好品質輸出IP3能,極其適合平滑使用,舉個例子來說Ka頻段VSAT、高儲電量雙向或點對找色無線網電——類似使用標準要求有+34 dBm的極有效率過剩輸出輸出馬力。 RF I/O隔直并適應至50 Ω,可以簡便一體化到多電源集成塊控制模塊(MCM)中。 整個數劇均利用50 Ω測式治具中的電源集成塊得出,該治具能夠 一只口徑為0.025mm (1 mil)、總長為0.31 mm (12 mil)的焊線鏈接。
|
品牌
|
型號
|
描述
|
貨期
|
庫存
|
|
ADI
|
HMC7441
HMC7441-SX
|
GaAs pHEMT MMIC 2 W功率放大器,27.5 - 31 GHz
|
現貨
|
36
|
利用
-
點對點無線電
-
點對多點無線電
-
VSAT和SATCOM
-
軍事和太空
強勢和的特點
-
飽和輸出功率:
++34 dBm (25% PAE)
-
高輸出IP3: +38 dBm
-
高增益: 23 dB
-
直流電源: +6V (1,000 mA)
-
無需外部匹配
-
芯片尺寸: 3.18 x 2.84 x 0.1 mm
成分圖
