HMC7357LP5GE/HMC7357LP5GETR中級耗油率放小器速度5.5至8.5 GHz ADI期貨
上線時間:2018-06-22 16:06:19 閱讀:2624
HMC7357是一個款一級GaAs pHEMT MMIC中級效率放縮器,本職工作頻繁規模為5.5至8.5 GHz。 該放縮器的增益控制為29 dB,過剩點輸入傷害效率為+35 dBm,PAE為34%,電源模塊端電壓為+8V。 HMC7357帶來了+41.5 dBm的表現出色輸入傷害IP3功效,是滿足波形APP軟件,表示動作的詞高發熱量雙向和點對向下wifi手機電或VSAT/SATCOMAPP軟件——這種APP軟件請求有+35 dBm的高質量過剩點輸入傷害效率。 RF I/O內部組織相匹配至50 Ω,用不便。 HMC7357用到無鉛5x5 mm金屬表貼芯片封裝,與表貼造成技術性兼容。
|
品牌
|
型號
|
描述
|
貨期
|
庫存
|
|
ADI
|
HMC7357
|
GaAs pHEMT MMIC 2 W功率放大器,5.5 - 8.5 GHz
|
現貨
|
120
|
HMC7357LP5GE適用
-
點對點無線電
-
點對多點無線電
-
VSAT和SATCOM
HMC7357LP5GE優勢和特點
-
Pout:+35 dBm (34% PAE)
-
高P1dB輸出:+34 dBm
-
高輸出IP3: +41.5 dBm
-
高增益: 29 dB
-
50 Ω匹配輸入/輸出
-
電源電壓: Vdd = 8V (1200 mA)
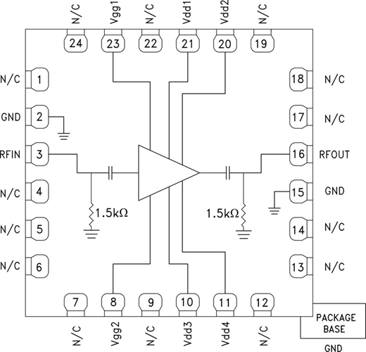
HMC7357LP5GE結構圖
