HMC1086F10氮化鎵(GaN) MMIC工作電壓圖像運放電路10引腳卡箍打包封裝 ADI現貨黃金
頒布時刻:2018-06-22 16:28:05 瀏覽記錄:7065
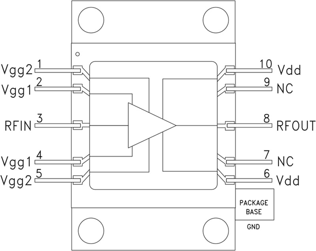
HMC1086F10不是款25W氮化鎵(GaN) MMIC運行效率圖像放縮器電路,運行頻率范圍圖為2至6 GHz,按照10引腳法蘭部貼裝二極管封裝。 該圖像放縮器電路通暢給予23 dB小數字的信號增益控制,+44.5 dBm飽滿傷害運行效率,在+33 dBm傷害運行效率/數字的信號音下,給予+46 dBm傷害IP3。 該圖像放縮器電路按照+28V直流開關電源開關電源開關的空態工作電壓為1,100 mA。 隔直RF I/O相匹配至50 Ω,食用便于。
|
品牌
|
型號
|
描述
|
貨期
|
庫存
|
|
ADI
|
HMC1086F10
|
25 W GaN法蘭貼裝MMIC功率放大器,2 - 6 GHz
|
現貨
|
230
|
HMC1086F10應該用
HMC1086F10優勢和特點
-
高Psat: +44.5 dBm
-
Psat下功率增益: 11 dB
-
高輸出IP3: +46 dBm
-
小信號增益: 23 dB
-
電源電壓: +28V (1100 mA)
-
50 Ω匹配輸入/輸出
-
10引腳法蘭封裝
HMC1086F10結構圖
