HMC634LC4/HMC634LC4TR動力縮放器瓷器表貼裝封 ADI外盤
推出時光:2018-06-29 11:34:17 瀏覽記錄:1990
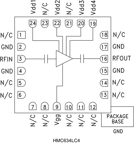
HMC634LC4也是款GaAs PHEMT MMIC驅動包器調大器,用無鉛4x4 mm工業陶瓷表貼封裝,業務幾率超標準為5至20 GHz。 該調大器帶來將高達21 dB的收獲、+29 dBm輸入輸出的IP3及+22 dBm的輸入輸出的上班效率(1 dB收獲縮短時),耗電量為180 mA(+5V電源適配器)。 HMC634LC4驅動包器調大器極為好業務幾率超標準為5至20 GHz的徽波遠程電用,輸出功率可偏置為+5V (130 mA)以帶來較低收獲并改進PAE。 隔直調大器I/O搭配50 Ω,不能不外表搭配元器件。
|
品牌
|
型號
|
描述
|
貨期
|
庫存
|
|
ADI
|
HMC634LC4
HMC634LC4TR
|
驅動放大器,采用SMT封裝,5 - 20 GHz
|
現貨
|
251
|
運用
-
點對點無線電
-
點對多點無線電和VSAT
-
混頻器LO驅動器
HMC634LC4優勢和特點
-
增益: 21 dB
-
P1dB: +22 dBm
-
飽和功率:
+23 dBm (17% PAE)
-
單電源電壓: +5V (180 mA)
-
50 Ω匹配輸入/輸出
-
24引腳4x4mm
SMT陶瓷封裝: 16mm2
HMC634LC4結構圖
