HMC713LP3ETR/HMC713LP3E對數計算檢波器/智能控制器 ADI期貨
發布消息的時間:2018-07-09 12:01:46 瀏覽記錄:6927
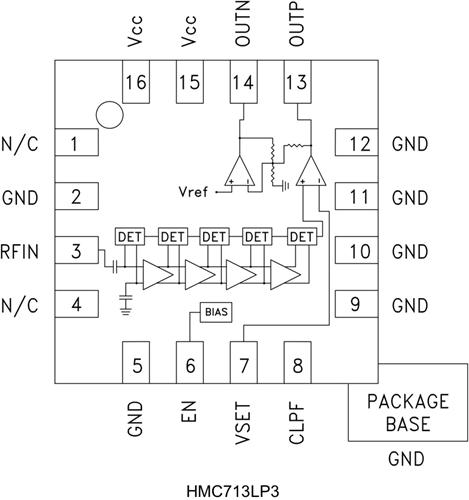
HMC713LP3E多數檢波器/保持器相當可以將RF預警(50 MHz至8000 MHz頻繁 區間之內內)的公率在打出端轉化為與鍵入公率不成比例的直流變壓器電流值降。 HMC713LP3E利用陸續減小枝術,可在寬鍵入頻繁 區間之內內給予有著高估測誤差的54 dB動態化區間之內。 不斷地鍵入預警多,陸續調小器迅速邁入飽和點,然后提取精密的多數函數值類似值。 一系統檢波器打出求和、轉化成電流值降域并減慢控制OUTP打出。
若您有任何人疑問句,請關系自己立維創展,自己會盡最高全力大駕光臨的。
在在線檢測基本模式下,OUTP引腳聯系到VSET錄入,帶來了17 mV/dB標稱多數斜率和-68 dBm截距。
HMC713LP3E也可能在管理器基本狀態下操作,在該基本狀態下向VSET引腳給予對外部線電壓以實行AGC或APC返饋環路。
|
品牌
|
型號
|
描述
|
貨期
|
庫存
|
|
ADI
|
HMC713LP3ETR
HMC713LP3E
|
54 dB對數檢波器/控制器,采用SMT封裝,50 - 8000 MHz
|
現貨
|
170
|
HMC713LP3ETR應該用
-
蜂窩基礎設施
-
WiMAX, WiBro和amp; LTE/4G
-
電源監控和控制電路
-
接收機信號強度指示(RSSI)
-
蜂窩基礎設施
-
自動增益和功率控制
HMC713LP3ETR優勢和特點
-
寬動態范圍: 高達54 dB
-
高精度: ±1 dB (54 dB)
范圍高達2.7 GHz
-
快速輸出響應時間
-
電源電壓: +2.7至+5.5V
-
省電模式
-
出色的溫度穩定性
-
16引腳3x3 mm SMT封裝: 9mm2
HMC713LP3ETR結構圖
