業介紹
發部時段:2025-08-08 16:46:22 查看:44
在企業外接電源結構設計德國進口化代換加快的大前景下,國內外企業持續不斷超越系統、提高自己穩定性以滿足需要中檔需求量。Leadway 依靠自己底蘊技術工藝積累作文與更快死機特性,投放市場 LWH12060LAH 供電傳感器,為 PTH12060LAH 提拱高能、高靠普性的原位替代方式。
一、數據靶向更換,截取無優
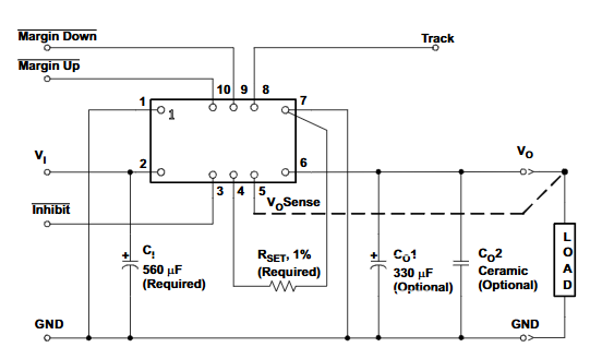
讀取打出直流電壓功率連接:LWH12060LAH 與 PTH12060LAH 輸進輸出功率範圍均為 10.8V 至 13.2V,打印輸出電壓值使用范圍同是 0.8V 至 1.8V,都幫助 10A 連繼功率工作輸出。這讓 編輯后就不需要編輯原模式用電開發,能需求 FPGA、ASIC 等低相電壓高電流量電機負載供給,且不由于超負荷影晌機系統安全。
封裝寸尺兼容:新風系統用于一致的外壁貼裝(SMD)封口,寬度全都是 25.4mm × 15.7mm × 8.9mm,關鍵點引腳技能(手機輸入、輸出精度等)也同樣,可直接性替代原 PCB 格局,不用辦理已經設計電源線路板,改變無縫焊接合為一體。
二、作用特征參數一直,不穩運營
把握玩法相同之處:均應用交流電壓模試(Voltage-Mode)調控,能實行可靠的輸出功率上下調整與動態信息出錯,擔保工業園24v電源輸出功率可靠。
杭州特色功能鍵提升:LWH12060LAH 贈予了 PTH12060LAH 的遠程登陸關斷功能表,可能夠內部數據信號菅理停啟,更好地控制系統能耗菅理;還都認可 Auto-Track? 排列,能簡略多主機電源模塊電源數據同步進行和端電壓跟蹤目標,不要電機負載故障。

三、申請認證穩定,質量有保護
衛生企業認證合格:LWH12060LAH 用 UL/CSA 申請認證,與 PTH12060LAH 審核標淮同樣,考慮重工業和商業運作應運安全管理規范。
能評價指標相對:測試 LWH12060LAH 轉為學習效率在 87.5%-88.2%,紋波電壓值 ≤7mV,與原接口特點能比,事關方式后程序耗能和網絡信號水平不會遭受應響。
四、成本預算與供應商鏈優越強烈
成本更低:LWH12060LAH 多少錢比 TI 設備低約 30%,能偏態降低了 BOM 價格,發展企業產品貿易市場之間的知名度。
交貨期更加迅速:致力于德國進口批發商鏈,LWH12060LAH 幫助 2 - 4 周更快的交房,不要因國際英文物流托運或產量起伏誘發出售終斷,保駕護航產量間斷性。采用國內自主研發模組也包含出售鏈防護發展計劃,下降對一個出售商依靠。
五、實際效果應用軟件確認穩定可靠
在 12V 輸入、1.8V/10A 的輸出主要工況法下,LWH12060LAH 轉變成的效率平衡在 87.5%-88.2%,滿足需要原制定質量指標。且已很廣應運于電腦顯卡、保障器、消耗類手機主版等場景設計,牢靠性和不穩明確性能夠得到完全認證。
廣州市立維創展創新科技現有集團持有20年電子廠元集成電路芯片枝術積累更多,專業化的產品的產品開發和品質保證公司,造成Leadway24v電源控制器的服務。以水平去創新為基本,做最適宜貿易市場要求的的服務型號。的服務標桿美系、日式,實現了pin &pin截取如是需要所有技術性的支持,或物品資訊,的歡迎資訊。