?LWH03060YAH替代PTH03060YAH:高性能電源模塊的優選方案
2025-06-04 16:34:15
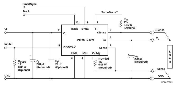
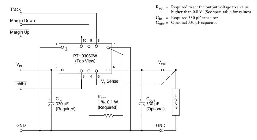
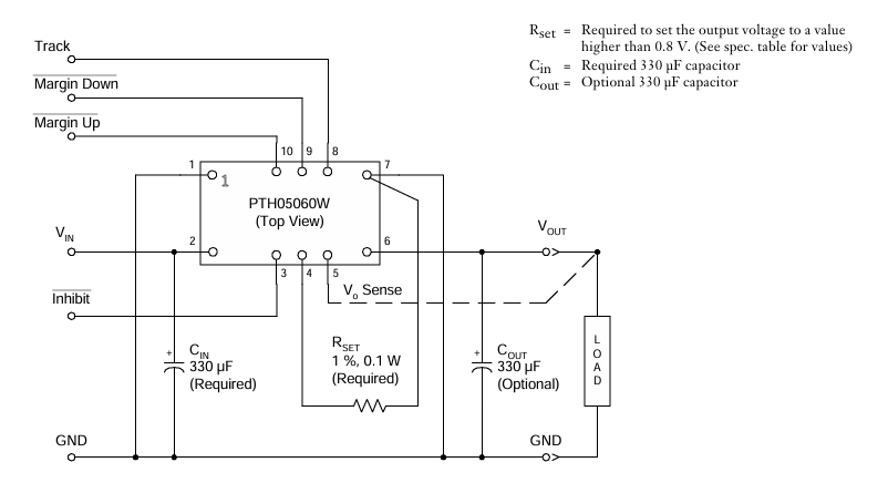
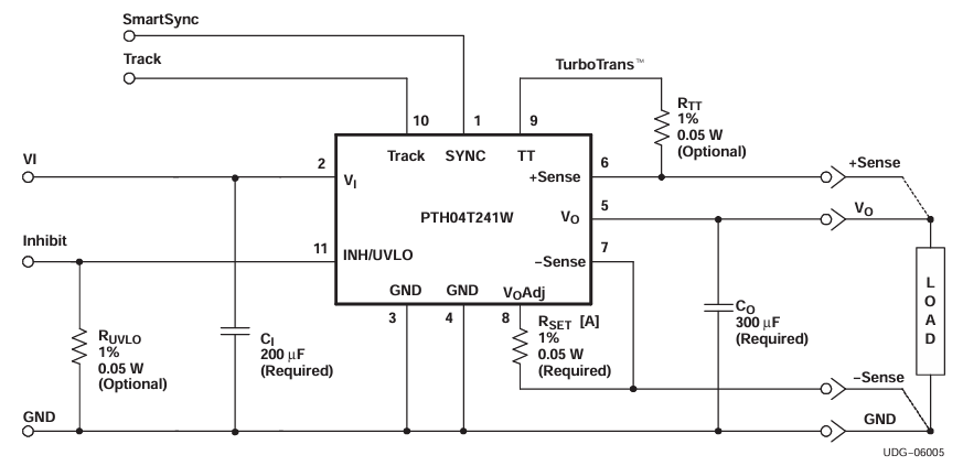
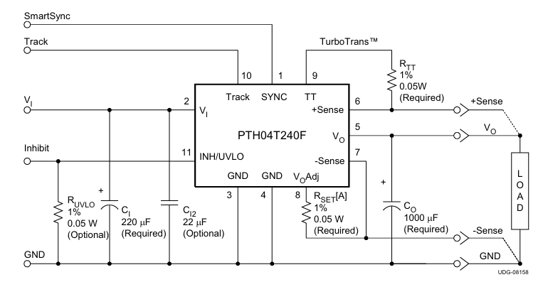
因 PTH03060YAH 訂貨頻次增加與資金現象,LWH03060YAH 用做為其充當方案范文,動用在工業生產操控等對靠譜性和質量標準要求高的場地。它動用與 PTH03060YAH 雷同的 10-DIP 芯片封裝,電力設備性數據極度識別,暫時無法降重 PCB 規劃時需修改。的同時,LWH03060YAH 在操作環境適于性上更優質,操作環境溫度標準更寬、抗干擾信號專業能力更強、動用使用期限更長,且訂貨頻次更短、資金省去 15%-20%,是水利師克服元器材廠家直銷波動性的明志之選 。