CBMV3102013寬帶調制器NRZ驅動放大器(CBM)CERNEX
2024-08-19 09:05:48
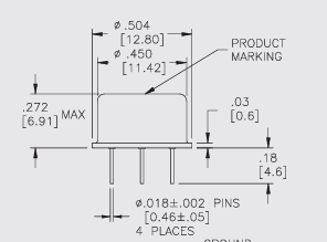
CERNEX CBMV3102013寬帶網絡網調變器NRZ驅使增加器,使用聚酯薄膜GaAs FETs技術采用,的蘋果支持到達20 Gb/s數據表格速率單位,運營室內溫度-40°C至70°C。輸入輸出精度電阻值高8 Vpp,選采用10/12/18 GHz 50 ohms運營,低跳動,大信息資源帶寬。率時間范圍30 KHz至65 GHz,精巧來設計,可變氣門正時增益值值把控好,輸入輸出精度瓦數+8Vpp,低增益值值紋波。的蘋果支持到達40 Gb/s網絡速度,選采用OC48/OC192/OC384/OC768程序,諸多應采用寬帶網絡網和SONET/SDH傳送數據程序。