?2318窄帶帶通濾波器:KR Electronics高頻信號處理解決方案
2025-08-12 16:50:11
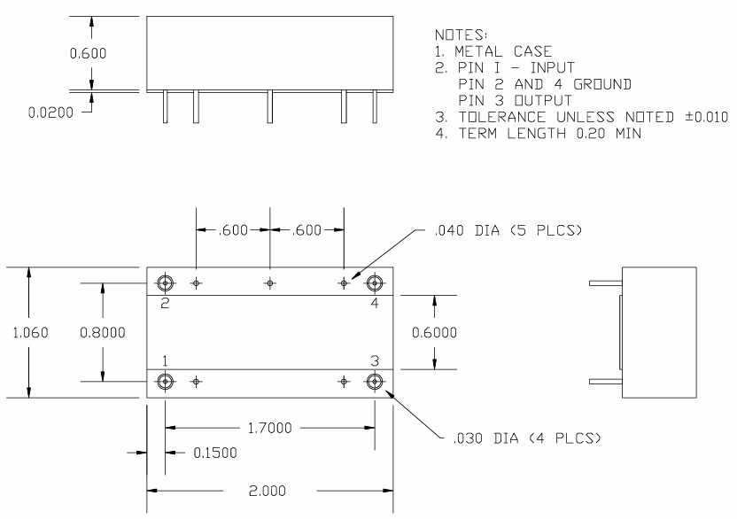
2318 是 KR Electronics 面世的高效能窄帶帶通濾波器,專為低頻走勢清理方案,通過精密儀器 LC 諧振電路設計構成,具備學校聲音平率靶向、通帶衰減退、阻帶調控強等特征參數,聲音平率面積 3 kHz - 10 kHz(3 dB 通帶),學校聲音平率 6.5 kHz,通上行寬帶度 7 kHz,放入損耗費≤1.5 dB,阻帶調控≥32 dB,端口處阻抗匹配標準規定 10 kΩ且可自定義