企業咨訊
上架周期:2025-05-14 16:28:04 手機瀏覽:405
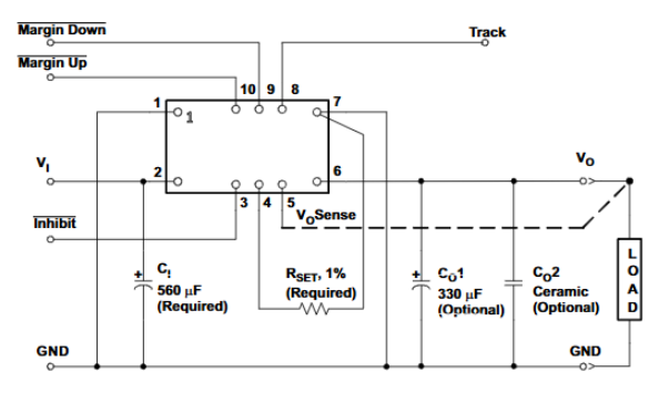
在三相異步電機操作體統中,Leadway主機電源模塊圖片的使能信號燈(Enable Signal)是融合電發動機啟停與直流無刷電機掌控的基本掌控邏輯推理產品之一。其影響并不是只限簡易的通斷掌控,更有關軟件可靠、能源消耗控制及多裝備推進。
使能電磁波的目標工作
1、根基的控制方法
使能數據信號順利通過高電平或低電平(基本上為TTL或CMOS電平)可以直接設定外接電源版塊的傳輸心態。舉列:
l 高電平有用:當Leadway主機電源信息模塊的EN引腳接收入到高電平(如3.3V/5V)時,包塊內容輸出電源開關至馬達驅動安裝器,起動馬達啟動;低電平則關閉供電局。
l 低電平可以有效:那部分型號規格有機會選取反向的方式給回思維邏輯,需利用接口操作手冊確保。
2、安全管理保證聯調
Leadway交流電源版塊的使能數據信息可與win7伺服伺服控制器器的故章數據信息(如過流、cpu過熱)一體化。舉列,當win7伺服伺服控制器器判斷到越來越時,在FAULT引腳反映至24v電源控制模塊的EN端,強制封閉傳輸,禁止機械設備傷害。

效果優勢
l 把握信息模塊健康運行:使能手機信號是24v電源電源摸塊的一款 填寫網絡端口,就有該引腳促活(如放于高電平),所有電源摸塊能夠正常的運行。它該是于一款 “限制”走勢,只剩下當使能走勢有效的時,電源適配器版塊才會決定設置好的基本參數效果安全穩定的能耗。
l 做到靈活性高性高把控好:完成外面把控好器或旋鈕把控好使能預警,都可不可以靈活性高性高地開通或關閉控制系統外接用電傳感器。舉例,當系統不必須外接用電傳感器用電時,都可不可以完成把控好使能預警將其關閉控制系統,關鍵在于節約開支能量并提升一體化系統的效果。
l 保證設施裝置應急:在數車設施裝置等APP動畫場景中,將使能數據與急停按鈕旋轉啟閉和往返往返旋轉啟閉按鈕旋轉啟閉結合了 。當單擊急停按鈕旋轉啟閉或者是設施裝置啟動業務大于往返后,使能數據被斷掉,電源模塊圖片模塊圖片為止打出,最后保護好設施裝置在應急的往返內啟動,杜絕因嚴重錯誤進行操作或劣質情況會造成設施裝置報警或損毀。
選用場境
l 低功能損耗治理玩法
在待機或輕載睡眠狀態下,依據MCU的GPIO操作使能信息關停電源開關控制模塊打印輸出,大幅度降低設備靜止耗電量。假如,產品人待機時,電源芯片組電源芯片可傳輸低電平至EN引腳,切段非必備供電系統。
l 多把握器協作把握
在想要亢余電力的場景中中,雙Leadway控制器并接時,使能衛星信號可互相配合“整流二極管ORing電源線路”保證主備設置成。主控制包塊出現問題的時,應急控制包塊的EN信號燈即時重置,設置周期可控硅調光制在10ms內。
廣州市立維創展科技工廠非常有限工廠都有20年光學元集成電路芯片能力積聚,非常專業的服務科研開發和口感團對,擁有Leadway開關電源引擎好新物料。以高技術去創新為核心內容,做最是和市面 使用需求的好新物料技術參數。好新物料對標學習美系、日式,進行pin &pin修改如要求隨便技術可以支持,或企業產品了解,熱情接待了解。