行業領域介紹
上傳日子:2025-08-14 16:46:23 預覽:34
在電子機器規劃流程中,電壓把握模塊的選用對設備的使用性能展現、成本預算把握及生產鏈的穩定的靠得住起著至關根本的用途。TI(濰坊儀器設備)創始人的PTH12060WAD是 行在業內的有趣企業產品,雖大受認定,卻也遇到著知名生產商鏈不比較穩定、生產成本居高出不來等擊敗。好于的情況下,產的Leadway公司推行的LWH12060WAD,其所出眾的耐磨性性能指標和國內全球化戰略生產制造的競爭優勢,成為著了提高效率充當PTH12060WAD的不錯考慮。
因素進行對比:重點功能多方位加劇
參數值 | LWH12060WAD(Leadway) | PTH12060WAD(TI) |
手機輸入電阻區域 | 10.8V~13.2V | 10.8V~13.2V |
模擬輸出電壓電流的范圍 | 1.2V~5.5V | 1.2V~5.5V |
工作輸出直流電 | 10A(連續式) | 10A(接連) |
使用率 | 94% | 88%-95%(具代表性值92%) |
上班水溫 | –40 °C ~ +108 °C | –40 °C ~ +85 °C |
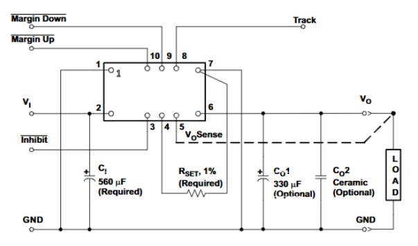
芯片封裝寬度 | 10-DIP,25.4mm×15.7mm×8.9mm | 10-DIP,25.4mm×15.7mm×8.9mm |
引腳界定 | 標準規定 POLA/TI 引腳 | 要求 POLA/TI 引腳 |
首要使用性能挑戰:室內溫度、性能與安全可靠性以及安全性
1.運行濕度規模發展
LWH12060WAD:-40℃~+108℃(區域資科提示 -40℃~+125℃)
PTH12060WAD:-40℃~+85℃
優越:LWH12060WAD支持軟件高些溫的環境,適宜于化工一鍵化、室外通迅機器設備等傾向場面。
2.動態化相電壓轉換與回文序列操控
LWH12060WAD添加信息線電流值轉換功能模塊,可時實回應阻抗不同,防止出現線電流值震蕩致使的系統的怒火。
整合字段操作功用,支持軟件多模塊圖片協同管理上電/無電時序管理方法,簡易化主機電源設計的概念,縮減外置邏輯性控制電路。
優勢:的提升控制系統新動態沒有響應學習能力,有效降低的設計繁復度與制造費。
3.電壓電流裕度調準與編程學習插口
LWH12060WAD適配±10%電流電壓裕度轉換,可在I2C接頭編程序,方便適應其他負載電阻所需。
PTH12060WAD僅扶持電腦硬件修整,智能化性達不到。
優勢可言:LWH12060WAD更滿足現當代化自動化環保設備對電源適配器監管的精益求精化耍求。
4.磁感應瀏覽器兼容性與實名認證
LWH12060WAD用EN60950-1新版本認可,電磁爐瀏覽器兼容性大幅提升20dB,限制對其它的三極管的影響。
特點:要求嚴歷的工農業與通訊技術標準化,增加軟件縱向可以信賴性。

兼容模式與代價的優勢:無接縫代替品,降本增強藥效
1.引腳兼容與PCB重復使用
LWH12060WAD分為基準化引腳理解,與PTH12060WAD引腳是完全兼容,不須變更PCB結構,直接的修改就可。
特色:延長研制開發時期,降低編輯資金。
2.銷售鏈與成本投入優化調整
LWH12060WAD市面存量適足,原廠裝配的貨期從12周減小至4周,逃避缺貨風險存在。
一鍵的采購投資成本影響15%,模塊電源期周期時間延遲至10年,降低了繼續維系價格。
優缺點:完善出售鏈平穩性,降低標準化代價。
用途情況自適應性
制造業全智能化以及自動化:LWH12060WAD的寬溫范圍內(-40℃~+108℃)與有工作效率(94%),應使用主軸電機帶動、傳紅外感應器器用電等場境,減低表面溫度對設配的引響。
通信網機 :在5G移動基站中,LWH12060WAD的動態圖電阻的調節作用可網站優化微波射頻前段濾波,相配低頻電路設計輸出阻抗,避免4g信號模糊。
售后服務端與數據源機構:為CPU/GPU提供數據增強直流電壓,低DCR(電流電阻器)提高發高燒,不斷提升功效,認可高瞬態積極響應業務需求。
成都 市立維創展科技產業有限企業企業成為20年自動化元配件技術工藝積累了,技術的物品新研發項目管理和品性創業團隊,鑄就Leadway交流電源功能成品。以技巧革新為內在,做最適用于的市場使用需求的成品品種。成品對標學習美系、日系品牌,完成pin &pin替代如需要任意技術應用適配,或廠品諮詢中心,邀請諮詢中心。