的行業新聞咨詢
發部時刻:2025-05-28 16:30:31 看:346
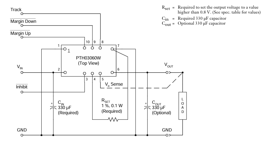
在電源適配器摸塊電磁閥選型中,PTH03060WAH就是一款經點的高性能DC/DC電源模塊,但當眾臨交貨生長期或總成本的問題時,施工師要求找替換設計方案。LWH03060WAH需用為PTH03060WAH的方式方案格式,還是比較在制造業管控、通迅機器設備及測量檢測設備等對可以信賴性和工作效率條件較高的應用場景中,二者在新技術因素和功能模塊上有著非常瀏覽器兼容性。
LWH03060WAH重復使用PTH03060WAH的其優勢:
打包封裝與兼容性問題
封裝類型款式想同:LWH03060WAH和PTH03060WAH均利用10-DIP封口形狀,面積為25.4mm x 15.7mm x 8.9mm,引腳定議和重新安裝方式方法全不同,可隨時轉換原控制電路中的PTH03060WAH,不須修飾PCB戰略布局。
電器使用性能
手機輸入導出區域保持一致:LWH03060WAH的投入的電壓依據為2.95V至3.65V,輸出相電壓相電壓可調式面積為0.8V至2.5V,極大效果工作電流10A,與PTH03060WAH的指標截然連接,確保安全生產電源線路用途維持。
學習效率等于:二者之間熱效率均為93%,在完全相同負荷狀態下耗電量和變燙量通常一直,無須調節熱量散發構思。

做工作溫比率
更寬的高低溫適用性:LWH03060WAH工作任務環境溫度比率為-40℃至126℃,而PTH03060WAH為-40℃至85℃。LWH03060WAH在常溫工作環境下的可靠性更好,適用冰冷東北部或對常溫有特色規范要求的工業制造采用。
批發商鏈與成本預算
交貨頻次更短:LWH03060WAH的提貨階段經常為4至6周,而PTH03060WAH很有可能因銷售市場生產商事情縮短至8至12周。
生產成本優質:LWH03060WAH的成本價較PTH03060WAH低約15%至20%,自定義采購流程時資金合理節省更比較明顯。
短期靠得住性
壽命短周期公式更長:LWH03060WAH的功能模塊使用期周期時間為10年,而PTH03060WAH為8年,降低了設施維保和拆卸的率。
抗要素意識更強:LWH03060WAH在制造業周圍條件中的電磁波能性能呈現最好,適用于繁雜電磁波能周圍條件下的利用。
上海市立維創展自動化比較有限新公司擁有的20年網絡元電子元件封裝技巧積淀,職業的商品研發部和的質量管理團隊,鑄就Leadway交流電源包塊成品。以系統轉型升級為基本,做最符合行業需求量的成品的規格。成品趕超美系、韓系,構建pin &pin替換成如須要其中技術應用可以支持,或軟件資詢,歡迎辭資詢。
Leadway規格型號 | 可替換成TI參數 | 鍵入電阻區域 | 傷害線電壓的范圍 | 輸出功率 | 崗位濕度的范圍 | 錯誤率 | 封裝類型尺寸圖 (LWH) |
LWH03060WAH | PTH03060WAH | 2.95~3.65V | 0.8 ~ 2.5V | 10A | -40℃ ~ 126℃ | 93% | 10-DIP 25.4mm x 15.7mm x 8.9mm |