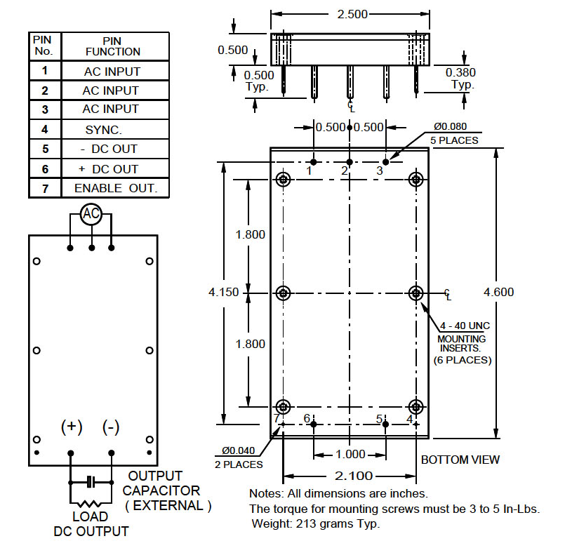
AVP和AVN系列超高壓輸出電源模塊 PICO產品 原裝現貨
2019-10-17 11:31:29
AVP和AVN產品非常高壓輸出外接開關電源外接開關電源板塊外接開關電源板塊是PICO裝修公司的讀取式DC-DC換算器,AVP產品外接開關電源外接開關電源板塊外接開關電源板塊與AVN產品外接開關電源外接開關電源板塊外接開關電源板塊都包括超小行換算器,超小質量分數,容量僅5g,運用超小行打包芯片封裝打包芯片封裝,非常高輸出直流電壓在6,000 VDC至10,000 VDC,都具有高信得過性,的工作的溫度規模-25℃~ +70℃,況且不需散熱管片或電氣成套降額