RFLI090M21M29超寬帶同軸隔離器RF-LAMBDA
2024-06-21 08:46:13
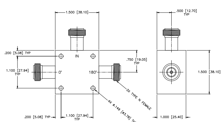
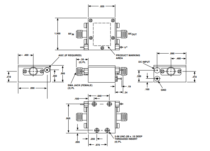
RFLI090M21M29是RF-LAMBDA的一個超高帶同軸底部隔離霜霜器,事業事業上頻率為214MHz至286MHz,擁有0.6dB最大程度添加耗率、19dB較大底部隔離霜霜度、1.3:1 VSWR和50W連續性波單向事業上電壓。它幫助N型或SMA型連結器,輸出阻抗為50Ω,事業環境溫度范疇為-40°C至+85°C。該底部隔離霜霜器使用作遠程基本安全設施、軍用、中國航天測控科技、考試實驗儀器、預警雷達程序、5G微波通信等這個領域,擁有順暢的抗振和沖撞耐磨性,可在高達模型30,0008英尺的海拔角度角度下事業。