S波段C波段AM050WN-CU-R陶瓷封裝GaN功率HEMT DC-6GHz
2018-10-31 15:31:39
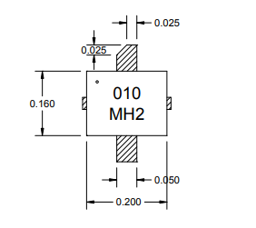
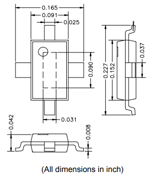
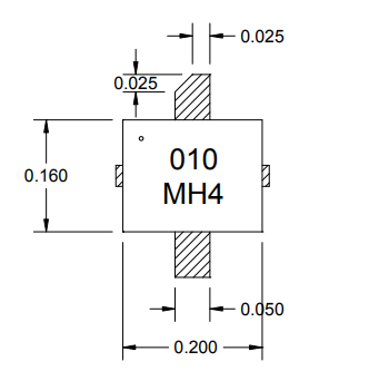
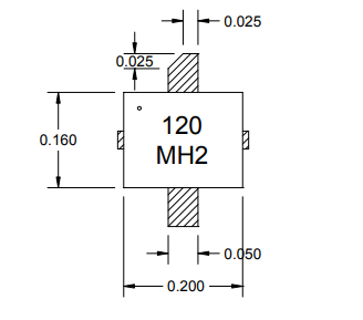
S中光波C中光波AM050WN-CU-R工業陶瓷圖片二極管打包打包封裝GaN工作上效率HEMT DC-6GHz,這種部位的總柵極厚度是5mm。AM050WN-CU-R是為高工作上效率紅外光廣泛應用而設汁的,工作上平率高達6GHz。CU系類是好一點設汁的工業陶瓷圖片二極管打包打包封裝,含有直引線和落地頁式活套卡箍。二極管打包打包封裝最下面的活套卡箍同一最為交流電接地裝置裝置、微波射頻接地裝置裝置和熱路。